The MHT Inspextor Node-90-CCUV and Node-Mini offer a seamless and intelligent solution for powering and controlling Mecho shade motors. This system simplifies the integration of smart shades into any space, providing both manual and automated control options.
Simplified Power and Discovery
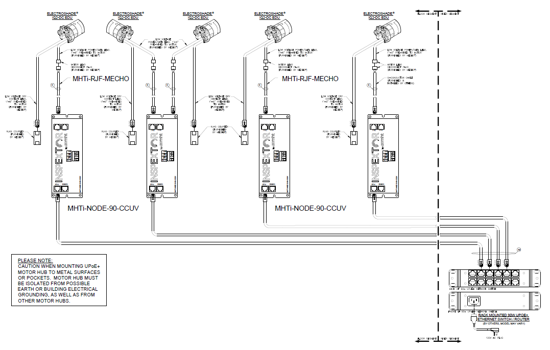
Each MHT Node efficiently supplies 24V power for up to four Mecho shades. A key feature of the Inspextor system is its automatic shade discovery. When powered on, each shade connected to a Node is instantly recognized, streamlining the setup process significantly.
Flexible Control Options
Once discovered, shade positions can be precisely adjusted through various methods:
- Manual Control: Utilize intuitive devices like the MHTi WallSwitch for direct, hands-on control of your shades. Mecho Keypads can also be connected to the MechoNet to control shade motors.
- Automated Control: For enhanced convenience and energy efficiency, the system seamlessly integrates with occupancy sensors. These sensors, connected to any MHT Node within your network, can automatically adjust shade positions based on room occupancy, optimizing comfort and light levels.
Node Configuration
For the Node-90-CCUV, the cccv value is set to 17 to select the Mecho load type, and the cuv value is set to 27 to set the output voltage for the shade motor.
Cable Adapter Options
To connect the Mecho shades to the Node, MHT offers two cable adapter options:
- MHTi-RJF-MECHO: This cable connects to the Mecho shade connector and is extended to our Node's channels using a standard CAT5 or CAT6 cable.
- MHTi-RJM-MECHO: This version connects directly to our Node's channel and is extended to the Mecho shade connector using a 16-4 or 18-4 cable with mating connectors.
The color options for the RJF/RJM mating connector (which connects with the motor) are available upon request.
Networked Intelligence
The MHT Inspextor system leverages a robust ethernet network for inter-Node communication. Each MHT Node is conveniently powered via a Power over Ethernet (PoE) switch port, simplifying wiring and installation. This networked approach means that a single wall controller can effortlessly adjust the positions of any shade across the entire network, offering unparalleled flexibility and centralized control.
The Node communicates via ethernet using the CoAP protocol with other nodes and both the Inspextor Server and the Mecho SolarTrac Server. This enables advanced functionality, as the Inspextor Server can redirect events to the SolarTrac Server for more advanced automation.
For instance, the Node-90-CCUV, equipped with two actuator outputs, allows for the connection of two Mecho shades to each output. The MechoNet interface is readily available at both connectors, utilizing the MechoNet protocol to facilitate both shade discovery and precise position adjustments.
With MHT Inspextor, you gain a powerful, intelligent, and flexible system for managing your Mecho shades, enhancing comfort and efficiency in any environment.