Enhancing Smart Buildings: B.E.G. PD11-LTMS-RR Sensor Meets MHTi-NODE-90 for Advanced Automation
The landscape of building automation is continually evolving, with greater emphasis placed on intelligent systems that optimize energy efficiency, occupant comfort, and operational control. A key element in achieving these goals is the integration of advanced sensors and intelligent network nodes. This article explores the powerful synergy between the B.E.G. PD11-LTMS-RR multi-sensor and the MHTi-NODE-90 network node to create a sophisticated and responsive smart building environment.
The B.E.G. PD11-LTMS-RR: A Multi-Sensor for Intelligent Spaces
The B.E.G. PD11-LTMS-RR sensor stands out as a recessed indoor sensor capable of detecting motion (PIR), daylight levels, and temperature. Designed for integration into proprietary control systems, it provides critical data for optimizing various aspects of a building's operation. Its 360-degree detection area and flat lens design ensure discrete installation and comprehensive coverage. The sensor operates on a 12V-48V DC power supply, making it compatible with a variety of low-voltage systems. The motion detection is communicated via a dry contact Reed Relay, while brightness and temperature are reported as an analog voltage output.
MHTi-NODE-90: The Backbone of the Intelligent Network
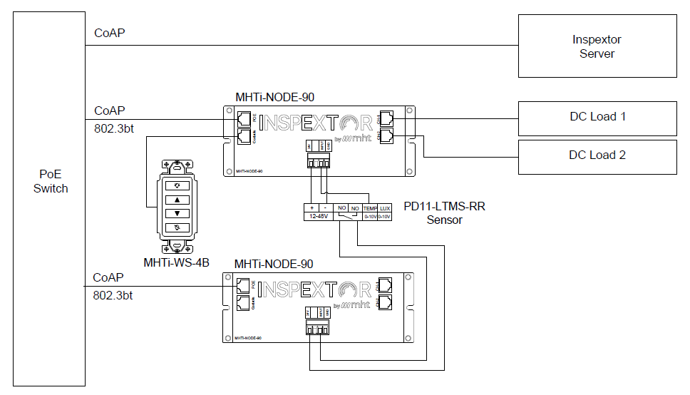
The MHTi-NODE-90 plays a crucial role in connecting and controlling various building systems within the Inspextor PoE Lighting Management System. It leverages Power over Ethernet (PoE) technology for both power and data transmission over a single Ethernet cable, simplifying installation and reducing wiring complexity. The node offers flexible output channels for various DC power needs (12V to 48VDC) and can drive lighting or other DC loads like motorized shades. Crucially for the B.E.G. sensor integration, the MHTi-NODE-90 provides a 24V power source and includes analog input capabilities for sensor data.
Seamless Integration for Enhanced Control
Integrating the B.E.G. PD11-LTMS-RR with the MHTi-NODE-90 unlocks a powerful combination of control features:
- Wiring for Data Acquisition: The temperature or light analog output from the B.E.G. sensor can be directly connected to the analog input of an MHTi-NODE-90, allowing the node to interpret and utilize this data. To integrate the motion detection, the B.E.G. sensor's dry contact relay can be wired to a second MHTi-NODE-90's 24V supply and then to its analog input. Resistors can be used in conjunction with the 24V supply to convert the relay signal into a detectable analog signal for the node.
- Centralized Control via CoAP/PoE Network: Once integrated, the B.E.G. sensor’s data – occupancy status, daylight levels, and temperature – becomes part of the MHT node's PoE/CoAP network. This allows for centralized control and automation within the building automation system.
- Synergy with Other Devices: The MHT ecosystem, centered around the Inspextor platform, allows the integrated sensor and node to interact with other network-connected devices. For example, the B.E.G. sensor’s occupancy data can be used to control lighting driven by other MHTi-NODE-90 units or to trigger motorized shades, possibly alongside the MHTi-WS-4B four-button wall switch for local control.
- Data Monitoring and Optimization: The MHT Inspextor server provides comprehensive data monitoring, displaying real-time information about the building's energy usage, air quality, and occupancy. This allows building managers to gain valuable insights, set performance goals, and implement automated policies to optimize the building's operations and meet sustainability targets.
A Step Towards Smarter Buildings
The integration of the B.E.G. PD11-LTMS-RR sensor and MHTi-NODE-90 represents a practical step towards building more intelligent and responsive environments. By combining precise sensing capabilities with robust network connectivity and centralized control, this solution offers enhanced occupancy detection, optimized lighting and temperature control, and a comprehensive platform for data monitoring and building automation. This approach aligns with the growing trend towards creating smarter, more efficient, and more comfortable building spaces.