Overview
The MHTi-Cisco Advanced Demo Kit V2 demonstrates advanced lighting control capabilities
utilizing 1x NS111 light sensor, 1x 7B wall switch, one 90W Constant Current (CC) MHT Node, 2x
Autotune fixtures, and 3 splitters. The kit is designed to showcase seamless integration of manual
and automated lighting controls with tunable color temperatures and dimming.
Boot Up
To turn on the demo case, supply power to both the monitor and MHT devices. Both PoE ports are located on the exterior/back side of the case. Once the desktop is displayed, allow 90 seconds for system to boot up.
Dashboard Login
The dashboard is a web application running on the local network. Open a web browser to the local Inspextor IP address (inx ip). Use the provided login credential.
- inx ip: 192.168.2.6
- username: admin
- password: mht-poe
Control Operations:
The 7-button (7B) wall switch provides manual control of the Autotune fixtures (AT fixtures):
- ON Button: Turns on the AT fixtures to 100% brightness at the last set color temperature.
- OFF Button: Turns off the AT fixtures, setting their brightness to 0%, while retaining the last
set color temperature. - UP and DOWN Buttons: Increment/decrement the brightness of the AT fixtures in 10%
steps, based on the last set color temperature. - Scene1 Button: Activates a preset scene, setting the AT fixtures to 3000K color temperature
at 100% brightness. - Scene2 Button: Activates a preset scene, setting the AT fixtures to 4000K color temperature
at 100% brightness. - Scene3 Button: Activates a preset scene, setting the AT fixtures to 5000K color temperature
at 100% brightness.
Manual Override Feature: Pressing any button on the 7B wall switch disables the light sensor’s
automation for 1 minute, allowing manual override of the lighting system. After this period, the light
sensor resumes its operation unless overridden again.
The NS111 light sensor enables automated control of the AT fixtures based on the ambient light levels in the space:
- High Ambient Light: If sufficient ambient light is detected, the NS111 will dim the AT
fixtures proportionally to maintain optimal lighting conditions without over-illuminating the
space. - Low Ambient Light: If little to no ambient light is detected, the NS111 will increase the
brightness of the AT fixtures to their maximum level to ensure adequate illumination.
Integration of Manual and Automated Controls
The system integrates manual and automated operations seamlessly. Manual adjustments made
through the 7B wall switch take precedence temporarily, ensuring user control and convenience.
After the manual override period (1 minute), the NS111 light sensor regains control to maintain
efficient lighting adjustments based on ambient light conditions.
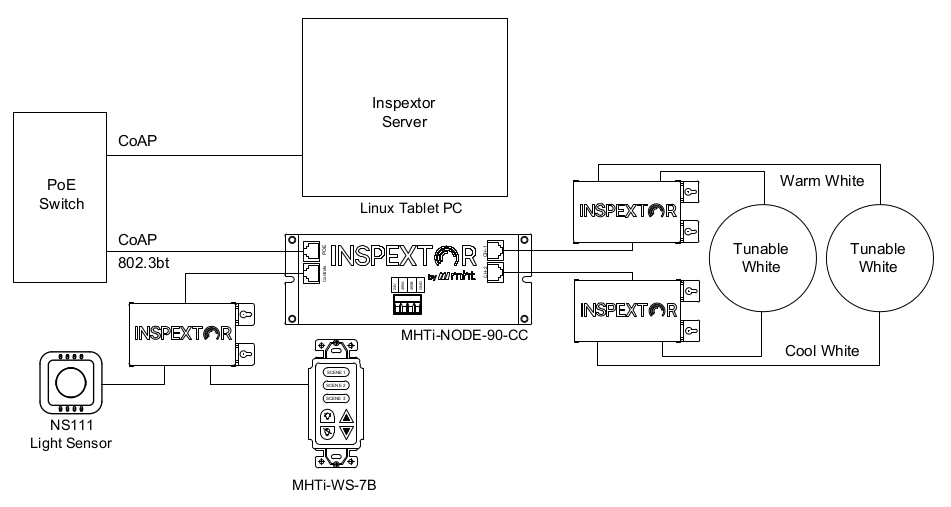
Wiring Diagram
The system includes a Node 90 CC that powers two tunable white fixtures. The two splitters at the outputs allow multiple fixtures to be wired in parallel. The third splitter is used to connect a 7 Button Wall Switch and the Light Sensor to the Controls Port on the Node.
The Tablet PC run Inspextor Server which hosts a dashboard for monitoring the CoAP network. This dashboard can also be used to manually adjust the Node or output settings. But typically it monitors network traffic like light sensor values and wall switch events.